Alaabta
Indoor High Voltage Disconnecting Switch
  • Indoor High Voltage Disconnecting SwitchIndoor High Voltage Disconnecting Switch
  • Indoor High Voltage Disconnecting SwitchIndoor High Voltage Disconnecting Switch

Indoor High Voltage Disconnecting Switch

Model:GN19-12
Korontada Anqiang waa soo saaraha Shiinaha ee Isku xidhka Korontada Sare ee Gudaha. Dareemahan koronto-gooyada sare leh waa nooc gudaha ah, oo marka hore loo isticmaalo nidaamyada korantada ee leh danab lagu qiimeeyay 12KV iyo inta jeer ee AC ee 50Hz ama ka yar, si loogu beddelo hadda ku hoos jira danab laakiin aan lahayn rar.

Anqiang Power's Indoor High Voltage Disconnect Switch waa nooc saddex-tile ah, oo ka kooban jir salka, usheeda wareegta, usha isku xirka, daahiyaha boostada porcelain, daabyada beddela, iyo xirmooyinka terminalka. Usheeda dhexe ee wareega ayaa lagu dhejiyaa qaabka salka, iyada oo leh saddex lammaane oo kabaal ah oo lagu alxanayo xagga sare. kabaallayaashani waxa ay ku xidhan yihiin baalal-wareejinta iyada oo loo sii marayo ulaha isku xidha iyo insulators porcelain. Wareegga wareega wuxuu ka soo baxaa qaabka asaasiga ah, qayb kasta oo ka mid ah waxaa lagu xiri karaa habka hawlgalka. GN19-12W waa nooc wasakh u adkaysta; GN19-12G waa nooca joogga sare; GN19-12X waxaa ku jira tilmaame koronto nool oo ku dhex dhisan; iyo GN19-12ST waa furaha kala goynta nooca laba-tuurka ah.

Sawirada alaabta

Indoor High Voltage Disconnect Switch

Qiyaasaha Farsamada

Qaabka iyo tilmaamaha

danab lagu qiimeeyay

Hadda la qiimeeyay

Lagu qiimeeyay adkaysiga wakhtiga gaaban

Heerka ugu sarreeya ee u adkeysiga hadda

GN19-12/400-12.5

12kV

400A

12.5kV

31.5kA

GN19-12/630-20

12kV

630A

20kV

50kA

GN19-12/1000-31.5

12kV

1000A

31.5kV

80kA

GN19-12/1250-31.5

12kV

1250A

31.5kV

80kA

GN19-12C/400-12.5

12kV

400A

12.5kV

31.5kA

GN19-12C/630-20

12kV

630A

20kV

50kA

GN19-12C/1000-31.5

12kV

1000A

31.5kV

80kA

GN19-12C/1250-31.5

12kV

1250A

31.5kV

80kA

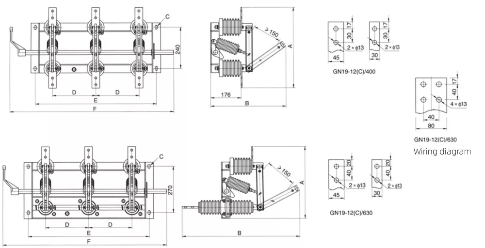
jaantuska cabbirka alaabta

Indoor High Voltage Disconnect Switch

Qaabka iyo tilmaamaha

A

B

C

D

GN19-12/400

450

446

185

4-14*24

GN19-12/630

470

446

185

4-14*24

GN19-12/1000/1250

510

500

196

4-18*28

GN19-12C/400

420

690

185

4-14*24

GN19-12C/630

430

690

185

4-14*24

GN19-12C/1000/1250

470

745

196

4-18*28


Hot Tags: Indoor High Voltage-ka Goynta Bedelka alaab-qeybiyaha, Warshada Bedelka Gudaha Gudaheeda
Soo dir weydiin
Macluumaadka Xiriirka
  • Cinwaanka

    Aagga Warshadaha ee Jinlu, Magaalada Beibaixiang, Magaalada Yueqing, Magaalada Wenzhou, Gobolka Zhejiang, Shiinaha

  • Tel

  • E-mailka

    john@chaqele.com

Wixii su'aalo ah oo ku saabsan Wareegtada Wareegga, Bedelka Load-ka, Isku-xidhka Bedelka ama liiska qiimaha, fadlan iimaylkaaga noogu dhaaf waxaanu kula xidhiidhi doonaa 24 saacadood gudahood.
X
Waxaan isticmaalnaa cookies si aan kuu siino khibrad wax barasho oo wanaagsan, u falanqeyso taraafikada goobta iyo shaqsiyeynta macluumaadka. Isticmaalka boggan, waxaad ogolaatay isticmaalkayada cookies-ka. Siyaasadda Qarsoonnimada
Diid Aqbal