Alaabta
12KV Tiirarka Dibadda ee Ku rakiban Wareegga Wareegga
  • 12KV Tiirarka Dibadda ee Ku rakiban Wareegga Wareegga12KV Tiirarka Dibadda ee Ku rakiban Wareegga Wareegga
  • 12KV Tiirarka Dibadda ee Ku rakiban Wareegga Wareegga12KV Tiirarka Dibadda ee Ku rakiban Wareegga Wareegga
  • 12KV Tiirarka Dibadda ee Ku rakiban Wareegga Wareegga12KV Tiirarka Dibadda ee Ku rakiban Wareegga Wareegga

12KV Tiirarka Dibadda ee Ku rakiban Wareegga Wareegga

Model:ZW20-12F
Anqiang Power waa soo saaraha Shiinaha oo ah 12kV tiir dibadda ah oo ku rakiban qalabka wareegga wareegga. Qalabkan korantada ku rakiban tiirka dibadda waxa uu leeyahay danab lagu qiimeeyay 12kV wuxuuna ku shaqeeyaa AC 50Hz saddex-waji ah. Waxay leedahay awood dib-u-soo-celin aad u wanaagsan marka lagu isticmaalo kontaroole, oo buuxinaysa shuruudaha nidaamyada automation-ka qaybinta. Waxaa ugu horreyn loo isticmaalaa daminta iyo daminta qulqulka culeyska iyo qulqulka gaaban ee nidaamyada korantada ee 10kV, waxaana loo adeegsadaa saldhigyada hoose iyo nidaamyada qaybinta shirkadaha warshadaha iyo macdanta.

Tiirka dibadda ee ZW20-12F 12KV ee ku rakiban biiyaha wareegga wareegga ah ee ay soo saartay Anqiang ayaa si aan kala go 'lahayn u dhexgeliyaa hawlaha furaha wareegga wareegga, dib-u-soo-celinta, iyo qaybiyaha.  Xarunteeda qalabku waxay isticmaashaa gaaska-ku-xidhan, aan qarxin, iyo farsamada qaab dhismeedka dahaarka ee Toshiba's VSP5. Dhuumaha khadka soo galaya iyo kuwa baxaya ayaa sidoo kale la hagaajiyay si loo daboolo waxqabadka wanaagsan. Habka hawlgalka guga ayaa la yareeyey, wareegga ugu muhiimsana wuxuu leeyahay iska caabin yar oo xiriir ah. Sidaa darteed, kan dibadda ah ee korontada ku shaqeeya ee korontada ku shaqeeya waa badeecad aan dayactir lahayn iyo doorasho la doorbido oo loogu talagalay jajabiyeyaasha wareegyada ku xiran tiirka.

Sawirada alaabta dhabta ah

12KV Outdoor Pole Mounted Circuit Breaker

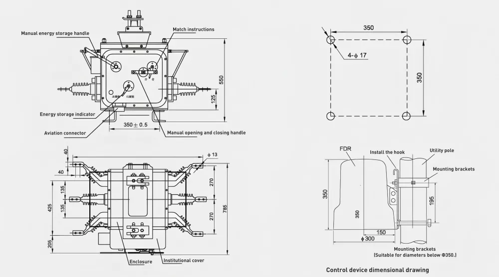
jaantuska cabbirka alaabta

12KV Outdoor Pole Mounted Circuit Breaker

Qiyaasaha Farsamada

Mashruuca

Qiimaha cabbirka

danab lagu qiimeeyay

12kV

Inta jeer ee la qiimeeyay

50Hz

Hadda la qiimeeyay

630/1000 A

Lagu qiimeeyay qulqulka wareega-gaaban

20/25 kA

Heerka ugu sarreeya ee u adkeysiga hadda

50/63 kA

Lagu qiimeeyay adkaysiga wakhtiga gaaban

20/25 kA

Lagu qiimeeyay samaynta wareega gaaban

50/63 kA

Sida loo shaqeeyo

Furan - 0.3 ilbiriqsi - Xidh - 180 ilbiriqsi - Fur - Xidh

Nolosha makaanikada

10,000 jeer

Lagu qiimeeyay wareegyada jebinta hadda

10,000 jeer

Lagu qiimeeyay awooda jebinta wareega gaaban

30 jeer

Cadaadis lagu qiimeeyay SF6

0Mpa


Faa'iidooyinka Alaabta

Tiirkan 12kV ee bannaanka ah ee ku rakiban wareegga wareegga wuxuu leeyahay ilaalin xad dhaaf ah iyo tilmaame kaydinta tamarta guga habaysan.  Waxa kale oo ay ku qalabaysan tahay xidhiidhiyaha duulista ee xidhiidhada korontada sare, fududaynta is dhexgalka kontaroolayaasha caqliga leh. Waxqabadkeeda korantada iyo farsamada ee aadka u wanaagsan waxay ka dhigaysaa ZW20-12F tiirarka bannaanka ku rakiban furaha wareegga wareegga si ballaaran loo dabaqi karo.


Hot Tags: 12KV Tiir Dibadeed Rakiban Wareegga Wareegga, Jabiya Wareegga Korantada ee Dibadda, Soo Saaraha Wareegga Korantada Sare
Soo dir weydiin
Macluumaadka Xiriirka
  • Cinwaanka

    Aagga Warshadaha ee Jinlu, Magaalada Beibaixiang, Magaalada Yueqing, Magaalada Wenzhou, Gobolka Zhejiang, Shiinaha

  • Tel

  • E-mailka

    john@chaqele.com

Wixii su'aalo ah oo ku saabsan Wareegtada Wareegga, Bedelka Load-ka, Isku-xidhka Bedelka ama liiska qiimaha, fadlan iimaylkaaga noogu dhaaf waxaanu kula xidhiidhi doonaa 24 saacadood gudahood.
X
Waxaan isticmaalnaa cookies si aan kuu siino khibrad wax barasho oo wanaagsan, u falanqeyso taraafikada goobta iyo shaqsiyeynta macluumaadka. Isticmaalka boggan, waxaad ogolaatay isticmaalkayada cookies-ka. Siyaasadda Qarsoonnimada
Diid Aqbal